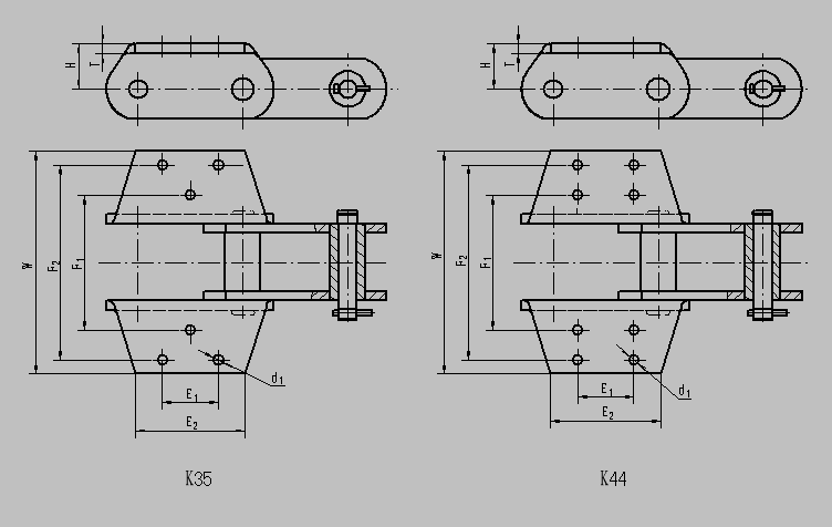
钢制套筒链以其简洁的结构,与AS2、ASS、BRH、F12H、G30、M1等多种附件的灵活组合,广泛应用于食盐、肥料等颗粒状物料的撒布机,畜牧业中的饲料分选机和牧草抛洒处理设备,木材加工中的低速输送设备及其它类似的传送系统。公司凭借高效的专用制造设备、严格的过程质量控制和丰富的产品经验,为全球范围内的客户提供优质的链条产品。